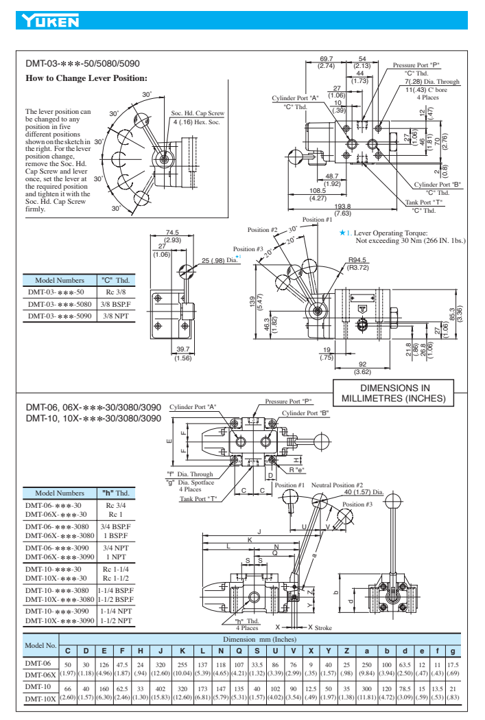
YUKEN DMT-03 DMT-06 DMT-10 Vàlvules direccionals d'accionament manual DMT-03-3C-50 DMT-03-3D-50 DMT{{ 7}}D-50 DMT-03-2D-50 DMT{-06-3D-30 DMT-06-2D-30 DMT{{15} }B-30 DMT-06-3C{-30 DMT{-10-3C-30 DMT-10-3D-30 DMT-10-2D -30 DMT-10-2B-30
Aquestes vàlvules es poden utilitzar per canviar manualment la posició de la bobina i canviar la direcció del flux d'oli. NÚMERO DE MODEL: DMT-03-3C-50 DMT-03-3D-50 DMT{{4 }}D-50 DMT-03-2D-50 DMT-06-3D-30 DMT{-06-2D{-30 DMT-06-2 D-30 DMT-06-3C-30 DMT{-10-3C-30 DMT{-10-3D-30 DMT-10-2D{ {21}} DMT-10-2B-30


|
YUKEN DMT-03 DMT-06 DMT-10 Vàlvules direccionals d'accionament manual DMT-03-3C-50 DMT-03-3D-50 DMT-03-2D-50 DMT-03-2B-50 DMT{ {8}}D-30 DMT-06-2D-30 DMT{-06-2B-30 DMT-06-3C-30 DMT{{16 }}C-30 DMT-10-3D-30 DMT{-10-2D-30 DMT-10-2B-30 |




|
|

Etiquetes populars: yuken dmt-03 dmt-06 dmt-10 vàlvules direccionals d'accionament manual dmt-03-3c-50 dmt-03-3d-50 dmt{{ 7}}d-50 dmt-03-2b{-50 dmt-06-3d-30 dmt-06-2d-30 dmt{{15} }b-30 dmt-06-3c{-30 dmt-10-3c-30 dmt-10-3d{-30 dmt-10-2d -30 dmt-10-2b-30














